产品展示/Products

您当前的位置:首页 > 产品展示
    • 产品名称:带热电阻双金属温度计
    • 规格型号:WSSP-411
    • 量程精度:-60℃~500℃ 1.5级
    • 安装方式:M27×2
    • 备    注:应用WSS带热电偶(阻)、温度变送器的双金属温度计是现场就地显示和远传电信号的温度传感器。它既可以现场指示温度又可传送热电偶(阻)和二线制温度变送器信号,作为新一代的温度计,可广泛用于治金、石化、电力、轻纺、食品、国防等工业部门。u 热电偶(阻)、双…
    • 产品详情
    •  

      应用

      WSS带热电偶(阻)、温度变送器的双金属温度计是现场就地显示和远传电信号的温度传感器。它既可以现场指示温度又可传送热电偶(阻)和二线制温度变送器信号,作为新一代的温度计,可广泛用于治金、石化、电力、轻纺、食品、国防等工业部门。

      u 热电偶(阻)、双金属温度计或温度变送器为一体。

      u 适合在恶劣环境长期工作。

      u 远传电信号精度高,工作稳定。也可直接以二线制的形式输出,提高信号距离传送过程中的抗干扰能力。

      u 性能价格比高。

      型号表示

      W  S  S     1   2   3   4   5

      代号

      注解

      W

      温度测量仪表

      S

      金属膨胀式温度计

      S

      感温元件为热双金属片

      1

      表盘直径

      4100(表盘直径100mm)

      5150(表盘直径150mm)

      2

      结构形式

      0—表示轴向型

      1—表示径向型

      8—表示万向型

      3

      安装方式

      1—表示可动外螺纹

      2—表示可动内螺纹

      3—表示可动法兰

      4

      传感器

      热电偶

      E--镍铬—铜镍E(分度号)

      N--镍铬—镍硅K(分度号)

      热电阻

      P--Pt100铂电阻

      C--Cu50铜电阻

      5

      温度变送器

      缺项为不带温度变送器

      H2 输出与对应温度呈线性

      H4 输出与对应输入信号呈线性

      如有其它要求,须我厂技术确认并澄清后可定制。

      主要技术参数

      u 测量范围:-60℃~500

      u 精度:1.5%

      u 远传电信号偏差:

      a.分度号:E(镍铬—铜镍)允许偏差±2.5℃或0.75%t

      b.分度号:K(镍铬—镍硅)允许偏差±2.5℃或0.75%t

      c.分度号:Pt100(铂电阻)允许偏差:

                A级:±(0.15+0.002|t|)

                B级:±(0.30+0.005|t|)

      d.带温度变送器的基本误差:

           1为热电偶()允差对应输出基本误差

             FS为测量范围

      u 温度变送器传送方式:二线制(420mA)

      u 变送器工作电源电压最低12V,最高35V,额定工作电压24V

      正常工作环境

      u a.环境温度:-25℃~80℃(危险场所不高于70)

      u b.相对湿度:5%95%

      u c.机械振动:f55Hz,振幅<0.15mm

      u d.周围空气中不含有引起变送器腐蚀的介质

      u 环境温度影响:≤0.05%/1

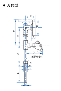
      外型尺寸

         

      外型及安装尺寸

      注:凡M27×2G3/4"固定螺纹均为活动型,双金属温度计表头均可按用户需要位置定位后锁紧。凡选用ZG3/4"固定螺纹的用户须作特殊定货。在按装使用时,螺纹锁紧后若双金属温度计表头方向不在操作面,则可松动调整螺母,将表头转到所须位置,然后锁紧调整,将表头转到所须位置,然后锁紧调整螺母即可。(注意调整范围只在360°)

      测量范围 

             

      订货需知

      型号/表盘直径/结构形式/连接形式/传感器/温度变送器/温度范围/连接方式

      样板表示

      WSS     -    5     8     1     P     H2   / 0150/    M27×2

      u WSS ----- 型号

      u 5  ----- 表盘直径

      u 8  ----- 结构形式

      u 1  ----- 连接形式

      u P  -----传感器

      u H2 ----- 温度变送器

      u 0150 ----- 温度范围

      u M27×2   ----- 连接螺纹

      文字表述

      一体化万向型双金属温度计,表盘直径Φ150,带Pt100铂电阻,带温度变送器,可动外螺纹连接M27×2,测量范围0-150℃,螺纹标准为M27×2