-
-
- 产品名称:差动远传压力表
- 规格型号:YTT-150
- 量程精度:-0.1-0-60MPa 1.6级
- 安装方式:M20*1.5
- 备 注:产品简介差动远传压力表既可对所测压力做现场指示又能转换为0— 10mA 或4— 20mA 的标准电流信号输出。可以与Ⅱ型或Ⅲ型电动单元组合仪表中的二次仪表、调节器、计算单元及巡回检测装置组成自动记录、调节、控制等系统。差动远传压力表按输入电压及输出电信号的不同分为3…
-
- 产品详情
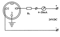
差动远传压力表既可对所测压力做现场指示又能转换为0— 10mA 或4— 20mA 的标准电流信号输出。可以与Ⅱ型或Ⅲ型电动单元组合仪表中的二次仪表、调节器、计算单元及巡回检测装置组成自动记录、调节、控制等系统。差动远传压力表按输入电压及输出电信号的不同分为3 种型号:A (220V AC 50Hz 0 — 10mA)、B(24V DC 4 — 20mA)、C (220V AC 50Hz 4 — 20mA)。
仪表适用于石油、化工、冶金、电路、轻工业等行业测量对铜合金无腐蚀作用的气体及液体的压力。与此类隔离器连接后,可在各种腐蚀性的环境中使用。
主要技术参数
精度等级:1.5 级\ 2.5 级
测量范围: -0.1MPa---0 — 60MPa
工作条件:
环境温度:-20 — 60℃
相对湿度:≤85%
工作压力:使用温度偏离20 ± 5℃时,其温度附加误差不大于0.4%/10℃
输出信号:4-20mA 或0-10mA.AC 220V 50Hz
静负荷用至测量上限值的3/4
交变负荷用至测量上限值的2/3
短时压力用至测量上限
消耗功率:≤3W
负载电阻:0-1.5K Ω(0-10mA)、0-3W Ω(4-20mA)
电源电压: 0 — 10mA .Ac 220V50Hz、4 — 20mA .Dc 24V、4 — 20mA .Dc 220V50Hz
防护等级:IP54
仪表外壳:铝合金
接头:铜合金
波登管:铜合金
安装方式:径向直接安装连接螺纹M20x1.5(或其他的螺纹尺寸)
表盘: 铝, 白地黑字
指针: 铝, 黑色
玻璃: 普通玻璃
仪表几何尺寸
接线示意图



您当前的位置: