-
-
- 产品名称:径向后带边双针双管差压表 YCS-100HT
- 规格型号:YCS-100HT
- 量程精度:0.4MPa 1.6级
- 安装方式:M20*1.5/2
- 备 注:不锈钢径向后带边双针双管差压表YCS-100HT适用于对两个相同或不同压力,进行测量并可对两个测量压力及二压力差值分别指示,可在具有腐蚀性介质及环境中使用。
-
- 产品详情
[其他压力仪表系列]
销售热线:021-56151850 传真询价:021-56150218 QQ询价:1874228869、12399260
不锈钢径向后带边双针双管差压表YCS-100HT适用于对两个相同或不同压力,进行测量并可对两个测量压力及二压力差值分别指示,可在具有腐蚀性介质及环境中使用。
仪表由两套各自独立的测量系统和指示装置组成。测量压力通过测压元件的弹性变形,通过两个测压元件(弹簧管)之末端各自产生相应的位移,借助于拉杆传动机构的传动予以放大,由固定于齿轮轴上的红、黑指针将所测值分别指示在度盘上,同时中间小盘显示出二压力之差值。
主要技术参数
执行标准:GB/T1226-2001
精度:1.6(1.5)级
测量范围:0.16、0.25⋯⋯6MPa、10MPa
环境温度:-20~+60℃
介质温度:< 70℃
安装形式:径向直接安装(前带边及后带边可选)
过程连接:M20 × 1.5 螺纹(其他螺纹可选)
接头材质: 304、316
波登管材质:316
焊接:氩弧焊
表壳材质:304 不锈钢
密封圈、防爆塞材质:耐油橡胶
表玻璃:3mm 平板玻璃(有机玻璃、双层安全玻璃可选)
机芯:不锈钢
指针:铝,黑色和红色
表盘:铝,白地黑字(特殊要求表盘可选)
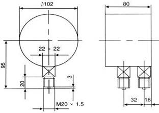
几何尺寸
产品安装及使用说明
产品使用说明
◆ 盘面的最大刻度值即为最大耐压。
◆ 建议使用的△ P(差压值=P+ — P-)为盘面的1/2~1/3 为最佳。再小了就不好读点。△ P 一般不能小于1/10 的全量程。
◆ 红针指示为正压压力(输入压力为P+);盘针指示为负压压力(输出压力P-)。盘针上的刻度可以和红针形成夹角α直接读数(从盘针上直接看刻度),也可以单独用盘针在表盘上的示值与红针在表盘上的示值进行计算得出差压值△ P =P+ — P-
◆ 介质为气体或液体,建议用在室内,使用温度为-20℃~60℃
◆ 一般最小量程做到0.16MPa,如需0.1MPa,可做到2.5 级
◆ 安装时带 号接头接输入压力P+;带 号接输出压力P-



您当前的位置: