-
-
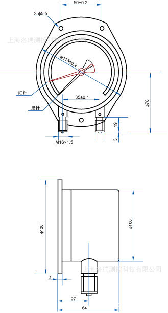
- 产品名称:双针压力表 YZS-102
- 规格型号:YZS-102
- 量程精度:1200KPa 1.6级
- 安装方式:M16*1.5
- 备 注:双针压力表YZS-102主要适用于机车车辆上用来测量液压系统或储气缸内的压力;仪表可同时测量两个相同或不相同的压力,两者压力之差一般应不大于标度范围上限值的1/3。
-
- 产品详情
[其他压力仪表系列]
销售热线:021-56151850 传真询价:021-56150218 QQ询价:1874228869、12399260
双针压力表YZS-102主要适用于机车车辆上用来测量液压系统或储气缸内的压力;仪表可同时测量两个相同或不相同的压力,两者压力之差一般应不大于标度范围上限值的1/3。
原理
仪表由两套各自独立的测量系统和指示装置等组成。仪表的工作原理是基于弹性元件的弹性变形。即在被测介质的压力作用下,迫使两弹簧管之末端各自产生相应的位移,借助于拉杆经齿轮传动机构的传动并予以放大,由固定于齿轮轴上的红、黑指针逐将两个被测值分别在度盘上指示出来。
主要技术指标
u 精度:1.6%
u 标度范围:0~1000、1200、1600、2500KPa
u 使用环境条件:5~60℃,相对湿度不大于80%
u 温度影响:不大于0.4%/10℃(使用温度偏离20±5℃)
外形尺寸



您当前的位置: